客服热线010-82169769
王老师:
13911400095
宋老师:
13910412496
公司邮箱hanzhilin@vip.sina.com
公司地址北京市海淀区知春路49号希格玛公寓A座101/B座108
军工保密资格认证
申请保密资质的重要性
军工保密资格是承担涉密军工任务的必备军工资质之一。保密资格是国家对武器装备科研生产单位具备的基本保密能力的评价和认可,是企事业单位承担涉密武器装备科研生产任务的必要条件,是军工单位保密工作应对严峻挑战的有效手段,是军队装备建设的重要保障,是确保信息安全的必然要求,凡是没有依法取得相应等级保密资格的企业事业单位,不 具备参加涉密武器装备科研生产任务采购供货和招投标资格条件。
军工保密资格认证的分类:武器装备科研生产单位保密资格分为一级、二级两个等级。一级保密资格单位可以承担绝密级科研生产任务;二级保密资格单位可以承担机密级科研生产任务。
武器装备科研生产单位保密资质申请材料目录(自7月1日起施行)
申请单位应当提交下列材料:
(一)军工保密资质申请书;
(二)企业营业执照或者事业单位法人证书复印件;
(三)在登记机关备案的章程;
(四)承担或者拟承担涉密武器装备科研生产任务的证明材料,或者武器装备科研生产许可证;
(五)涉密武器装备科研生产和办公场所产权证书或者自申请之日起履行期超过1年的租赁合同复印件;
(六)国家保密行政管理部门要求提供的其他材料。
其中,第四项规定的“承担或者拟承担涉密武器装备科研生产任务的证明材料,或者武器装备科研生产许可证”是指:
一、首次申请军工保密资质和延续申请军工一级保密资质的单位,可由军队向社会发布的装备承制单位资格审查申请受理点,中国科学院、相关军工集团公司、中国工程物理研究院总部保密工作机构、项目总承包单位保密工作机构审核项目密级,出具军工保密资质等级建议表。承担项目由国家国防科技工业管理部门以及国务院其他相关部门管理的,也可由该项目主管部门审核项目密级,出具军工保密资质等级建议表或者立项批复等证明材料。
二、延续申请军工二级保密资质的单位,应当提交其在有效期内的武器装备科研生产许可证复印件或者以下可以证明其在军工保密资质有效期内已承担涉密武器装备科研生产任务的任意一类证明材料。
(一)承担军队有关装备部门或者军队有关装备部门授权的军队单位直接下达的涉密武器装备科研、装备订购项目(计划),或者国家国防科技工业管理部门下达的国防领域国家科技重大专项、国防科技工业专项任务(计划)、军工核心能力建设项目、军品配套科研项目、国防基础科研项目、军工技术基础科研项目的军工保密资质单位,应当提交项目合同或者项目立项批复文件复印件,并加盖申请单位保密工作机构公章,注明用途。
(二)承担第(一)条所述项目涉密协作配套任务的军工保密资质单位,应当提交可以证明协作配套关系的以下材料之一:
1.按照协作配套关系逐级追溯至第(一)条所述项目下达单位,提交相关联的各级合同或者项目立项批复文件复印件,并分别加盖相应合同乙方单位或者批复项目的承担单位保密工作机构公章,注明用途。
2.按照协作配套关系逐级追溯至相关军工集团公司(中国核工业集团有限公司、中国航天科技集团有限公司、中国航天科工集团有限公司、中国航空工业集团有限公司、中国船舶集团有限公司、中国兵器工业集团有限公司、中国兵器装备集团有限公司、中国电子科技集团有限公司、中国航空发动机集团有限公司、中国电子信息产业集团有限公司)、中国工程物理研究院及下属军工保密资质单位,提交相关联的各级合同复印件,并分别加盖相应合同甲方单位保密工作机构公章,注明用途。
三、军工保密资质申请等级证明材料不得涉及国家秘密,相关信息应当采取适当方式脱密处理。
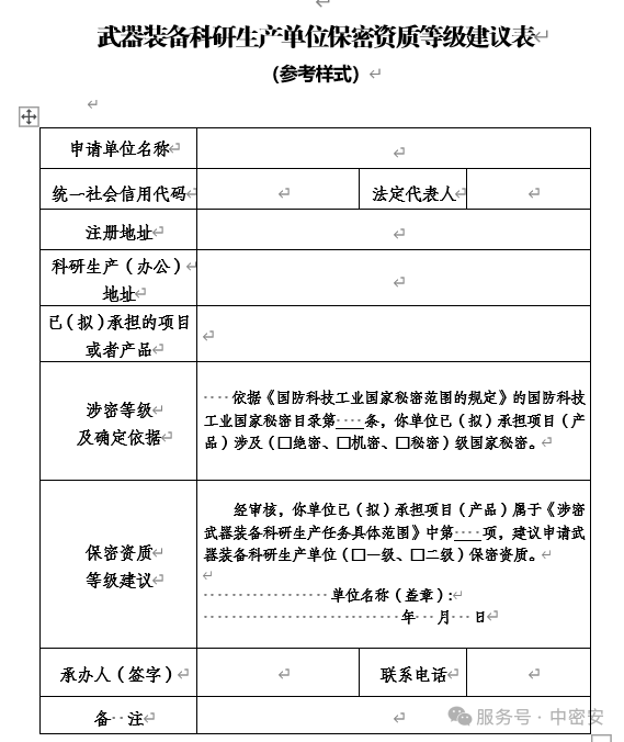
附:武器装备科研生产单位保密资质等级建议表(参考样式)
我们的咨询工作目标
1、按照军工保密资格标准和军工保密法规的要求,指导企业建立相关保密制度,并有效运行。
2、指导企业进行保密室建设,配备保密认证要求的各类软、硬件设施。
3、指导企业建立保密制度运行过程中的各类档案并规范管理。
4、指导企业进行军工保密资格认证申请,通过军工保密资质现场审核,取得军工保密资格证书。
我们的优势
我公司是行业内最早通过军工涉密业务咨询服务单位安全保密条件备案的单位,拥有丰富的实践经验和资深的咨询老师,能为企业提供最有效的保密认证咨询服务。

